Telefon
WhatsApp
İnstagram
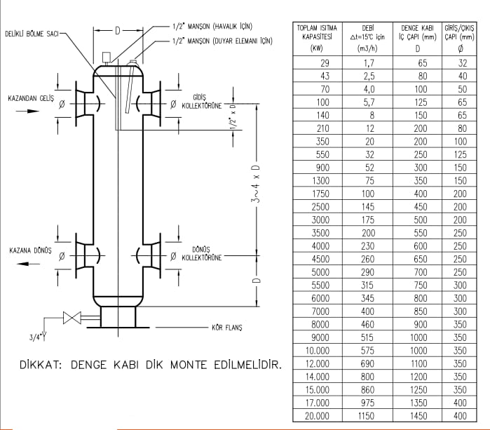
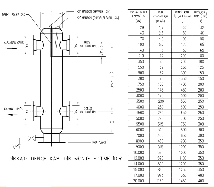
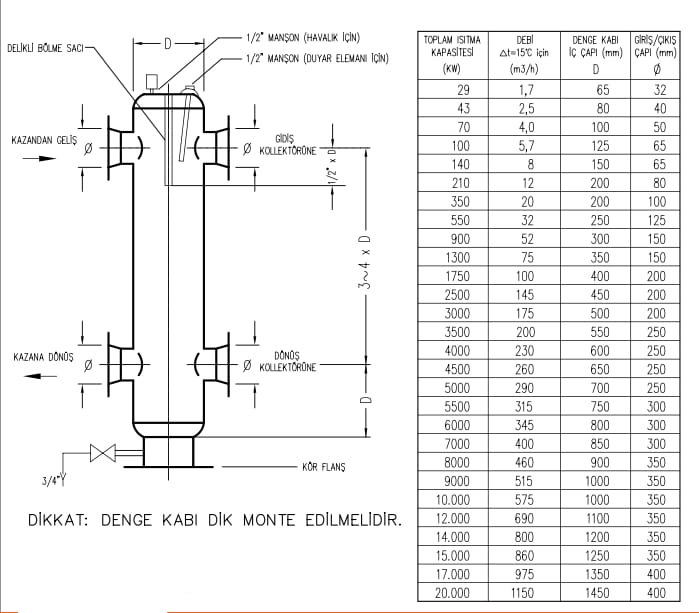
Denge Kabı

Denge Kabı

Denge Kabı

Denge Kabı

Ürün Kodu :
Kategori : Ayırıcı kaplar, Denge kabı
Etiketler :
Stok : Stokta Var

İndirilebir Dosyalar

Teknik Döküman

Sipariş Formu